اختبارات الفصل الثاني فيزياء 3 ثانوي المجال المغناطيسي و أجهزة القياس الكهربي و الذي شكل الجزأ الثاني من باب الكهربية. و يتم من خلال هذه الإختبارات حل حل اسئلة الفصل الثاني فيزياء ثالث ثانوي.
الفصل الثاني فيزياء 3ث تضمن ثلاثة اجزاء.
- الجزء الأول خاص بدراسة المجال المغناطيسي الناشئ عن مرور تيار كهربي في سلك مستقيم وفي ملف لولبي ودائري.
- الجزء الثاني يختص بدراسة القوة المغناطيسية وعزم الازدواج المؤثر على الملفات التي يمر فيه تيار كهربي وتكون موضوع داخل فيض مغناطيسي.
- الجزء الثالث يختص بدراسة أجهزة القياس و وهم الجلفانومتر والاميتر والفولتميتر والاوميتر
- مقدمة التأثير المغناطيسي للتيار الكهربي
- كثافة الفيض المغناطيسي من سلك مستقيم
- نقطة التعادل لسلكين
- اختبار على المجال المغناطيسى لملف دائرى
- مسائل المجال المغناطيسي لملف لولبي
- القوة المغناطيسية
- مسائل على القوة المغناطيسية بين سلكين
- عزم الإزدواج و عزم ثنائي القطب المغناطيسي
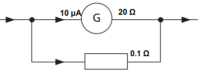
- الجلفانومتر
- اختبار اجهزة القياس: الاميتر
- الفولتميتر
- اسئلة على الاوميتر.
- امتحان الفصل الثاني – فيزياء ثانوية عامة

